|

6.1 GYROSCOPES DEFEAT GRAVITY
In the last chapter, Dr. Bruce DePalma showed us that the simple rotation of
a magnet, fashioned like a gyroscope, could generate electricity. It is also
interesting to point out that gravitational effects could also be produced
in DePalma’s work with rotating magnets. Before discussing this, if we go
back to his original Spinning Ball Drop experiment detailed in Chapter Four,
we can see that definite anti-gravitational effects were observed in the
difference between the dropping of a rotating steel ball as opposed to a
non-rotating one.

We should remind ourselves that a gyroscope does not "like" to be moved out
of its position –it possesses great inertia. You can feel this by trying to
turn the gyroscope in your hands while it is moving – it will resist your
efforts. Or you can even balance the bottom axle of the gyroscope on your
finger, and dazzle your friends as it tilts almost 90 degrees without
falling down. It is these simple principles of the gyroscope that allow our
airplanes to remain stable in flight – the gyroscope senses any movement and
resists it, which causes the sensitive instruments around the gyroscope to
detect the changes and send the corresponding motions to the stabilizers on
the wings to keep the plane level. Without it, a pilot’s challenge in trying
to keep the plane on track would be a far more demanding task.
We have stated that gravity is the tendency for all parts of the Ultimate
Being to seek Oneness, to seek the Center. Thus, when we see this happening
on planets, it is simply the force of aether streaming downward into the
gigantic planetary body that creates the force. The Earth’s surface is akin
to a "screen" that we cannot pass through but the aether can – and thus we
are "caught up" in the "aether wind" and continually pushed down by it.
However, the aether also streams into all other matter, including ourselves
– so it is certainly possible for other, weaker streams of aether besides
the downward direction to be implemented in nature. These "other streams"
with different directions have the same mathematical properties as gravity
via Einstein’s Principle of Equivalence, and we remember that these forces
are called inertia. Therefore, a gyroscope in rotation can harness and
"throw off" the aetheric energy force of inertia in the same way that it
"throws off" free electrical energy when it is magnetized. In rotation, the
normally downward-streaming aetheric force of gravity is then redirected and
radiated out the sides of the gyroscope, thus lowering the object’s weight.
As a perfect scientific example of this phenomenon that made it into the
mainstream media, we can cite parts of an article that was featured in The
Electronic Telegraph on Sunday, Sept. 21, 1997:
Scientists ’beat gravity’ using a gyroscope
By Robert Matthews, Science Correspondent
A TEAM of scientists backed by a leading Japanese multi-national company
claims to have found a way of generating "anti-gravity" using nothing more
than a spinning gyroscope. Although the claimed effect is extremely feeble -
amounting to a loss in weight of just one part in 7,000 - the team insists
that it cannot be explained away as experimental error. Such claims have
been circulating for at least a decade and have always been surrounded by
controversy. According to conventional physics, it is impossible for any
object to generate anti-gravity, or even screen out its effects…
Now new fuel has been added to the antigravity controversy by
Hideo Hayasaka
and colleagues at the Faculty of Engineering, Tohoku University, Japan,
together with Matsushita, the Japanese multinational. The team has carried
out a new set of experiments aimed at detecting anti-gravity generated by a
small gyroscope.
The principle behind the experiment is very simple. After spinning up the
gyroscope to 18,000 revolutions per minute, it is put inside an airtight
container and allowed to fall between two laser beams. These record how long
the gyroscope takes to fall nearly 6ft between the two beams. Any reduction
in the strength of the gravity reveals itself in a slight increase in the
time it takes to fall the 6ft.
In a series of 10 runs, the team found that the gyroscope took about
1/25,000 of a second longer to fall when it was spinning than when it was
stationary - equivalent to an anti-gravity effect of just one part in 7,000…
This article clearly shows us that the evidence has indeed been "leaking"
out into the media, though it was not from any American scientists, nor an
American newspaper. Other studies show that this phenomenon is certainly not
limited to gyroscopes alone. In Zhang Chengbin’s Ph.D. dissertation
Unified
Theory of the Universe, he mentions the anomaly of how a speeding, rotating
bullet can travel long distances, experiencing little or no change in its
trajectory from gravity. In the same dissertation he reports that Japanese
scientists discovered that an electric top would measurably reduce its
weight when rotating as well. This fact was illustrated in Wang Jiancheng’s
Answers to the Unsolved World Mysteries, New World Press, China, 1994.
So, the Matsushita-sponsored research team’s 1-in-7,000 reduction in gravity
is hardly cause for great celebration, but it obviously shows us that a
fundamental principle is at work that cannot be ignored, and which flies
squarely in the face of currently accepted models of physics. [1, 2]
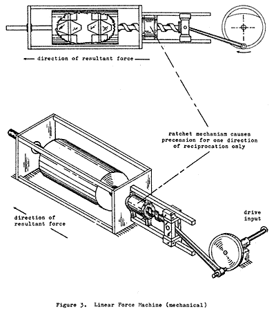
6.2 DEPALMA’S FORCE MACHINE
Thankfully, in Dr. Bruce DePalma’s Force Machine, an antigravity effect much
higher than 1-in-7,000 was produced, though you would never know it from
consulting the mainstream media. In DePalma’s device, two magnetized
gyroscopes were mounted side-by-side within a cylinder, (see next image,)
spinning in opposite directions to each other- one clockwise and the other
counterclockwise. Both gyroscopes (here referred to as flywheels) were in
the same position, with the bottom of their axles pointing straight downward
and the top of their axles straight upward.
The cylinder that held these gyroscopes in place was then also made to
rotate from its side, causing the axles of the gyroscopes to continually
rotate end-over-end in the vertical plane like spokes in a spinning wheel.
Since the inertial forces generated by the gyroscopes cause them to
naturally resist being moved out of position, even more aetheric energy
could be harnessed by forcing them to do so. And as we said in the last
chapter, defying gravity is as simple as gathering some of the
downward-streaming aetheric energy and redirecting it off to the side, like
the bending of a hose. This redirection can be accomplished by simple
rotation.

Dr. DePalma’s "Force" machine would initially weigh 276 lbs. before being
activated. The gyroscopes would be driven in counter-rotating directions at
7600 rpm each, and then the entire cylinder would be rotated or precessed at
4 revolutions per second. (See the “Precession” section below.) Any movement
faster than this would create internal forces great enough to fracture the
support axles for the gyroscopes, which would destroy the machine. Once
the
Force Machine was running at this speed, it would repeatedly show 4-6 lbs.
of weight loss! This gravity reduction is approximately 100 times more
powerful than what was seen in the Japanese experiment cited above. DePalma
went on to suggest further design enhancements that would create even more
weight loss, such as mounting both counter-rotating gyroscopes on the same
axle, thus increasing the strength of the unit and enabling it to precess,
or rotate, more quickly. Furthermore, we must not forget that this same
machine can generate "free energy" just like the "Sunburst"
N-Machine in the
last chapter, simply by setting electrical contacts to the inner and outer
edges of the discs on each gyroscope. So the redirecting of aetheric
gravitational force and aetheric electromagnetic force
are both accomplished
through the same means; rotation.

There are indeed many scientists who have approached similar situations as
did DePalma, incorporating the anomalous forces of the gyroscope to be used
as a method to negate some of the forces of gravity. Although none of the
gyroscope-based machines experience a complete weight loss, one researcher
by the name of Geoff Russell was able to create such a device "weighing
22lb, which was able to consistently register weight loss or vertical lift
pulses of 20lb, give or take the odd oz". This and scores of other similar
machines, complete with Adobe Acrobat files of their patents, are all
located on the
"Gyroscopes as Propulsion Devices"
website of Glenn Turner,
listed below, which is filled with very useful pictures and information
(watch video
1,
2,
3) for
those who are more interested. Another similar gravity-reducing machine was
patented by Sandy Kidd, and this is mentioned on Turner’s website as well as
in an article by Dr. Harold Aspden that we have linked to below.
6.3 PRECESSION AS PROPULSION
In order for all the above machines to work, another aspect of a gyroscope’s
behavior is utilized. A gyroscope will not only resist being moved out of
its vertical position, it will also generate force as it attempts to travel
in large, circular patterns. These patterns are most easily seen with a
spinning top. As the top begins losing its energy, it never simply spirals
straight down in the same direction that it was originally spinning; as it
destabilizes, it will always begin slowly rotating or precessing in a slow,
even circle that is in the opposite direction to its normal spinning motion.
These circular patterns are known as "precessional"
motions, and they are
another aspect of a gyroscope’s movement that will occur either in air or in
a vacuum and can be used to overcome gravity. So whereas the simple inertia
in a gyroscope makes it only resist being moved, the precessional forces
actually create motion. And this motion is a definite "Force" that can be
engineered, as gravity does not have an effect upon it!
Machines such as those built by DePalma and Sandy Kidd position the
gyroscopes in such a fashion that their natural "precessional" motion is
forced to only be able to travel in one direction. If this direction is
opposite to the force of gravity, then the force of gravity is reduced!
Below, we have a five-phase diagram co-opted from Glenn Turner’s website
that shows us a popular method of how this works, where the sequence of
motions goes left to right, top to bottom.
    
We can see how the gyroscopes naturally attempt to precess upwards, and then
are stopped at a certain point and forced to go back down. This effect is
caused by the fact that the central axle that holds the two gyroscopes is
rotating. In other words, to truly see this in action you must see that the
two gyroscopes are whirling around their center axle in giant circles. This
creates centrifugal force that presses out from the center. When the
gyroscopes move upwards as far as they can go and bump into the metal spool,
that same force then pushes them back down.
As we said, the centrifugal force is easily seen by whirling a bucket of
water around you in giant circles; if you do it fast enough, no water will
spill onto you. And thus, through the clever manipulation of precession and
centrifugal forces, this simple design does indeed counteract the force of
gravity! In some ways it could even be thought of as the anti-gravity
equivalent to the flapping of wings. Each stroke of the gyroscopes produces
an additional burst of lifting power. The next image below is of an actual
working prototype from Sandy Kidd that utilizes these concepts – a machine
that produces a measurable lessening of its weight when activated.

One of Sandy Kidd’s gravity-reducing gyroscopic devices.
So, it appears that with the rotating and precessional motions of the
gyroscope alone, we can create significant weight loss. We must remember
that this weight loss is caused by the fact that the aether is constantly
streaming into and out of all matter in order to create its existence moment
by moment. As we said, this streaming movement is the very conscious
lifeblood of the Oneness, referred to as the “Breath of the Divine.” By
rotating an object, such as DePalma did in his Spinning Ball Drop
experiment, the object can gather greater amounts of aetheric energy, which
we compared to a sponge soaking up water in the last chapter. And in the
above cases, effects that are very close to anti-gravity are being
discovered and patented, so that whenever society finally realizes that such
devices work, these inventors will be able to get the credit that they
deserve! As the prototypes stand right now, they could be used for land
travel, such as in an automobile design, or space travel. Since the machines
can generate a force in whatever direction you point them, they will work
much better in the "vacuum" of empty space, since they would not have any
gravity to resist their motion through the aether.
6.4 FINLAND’S ANTI-GRAVITY EXPERIMENT
Even the mainstream world was privy to a demonstration of how the force of
gravitation could be overcome – a story that actually broke into the
worldwide media and attracted some attention. This recent discovery was set
forth by Dr. Eugene Podkletnov from Finland. We are including it here
because it is a perfect segue’ into the point of this chapter, which is to
show that when the effects of magnetism and rotation are combined together,
gravitational effects can be observed. Of course, very soon after this
research was released to the public, a cadre of well-paid “debunkers” with
extensive media coverage and advanced degrees rushed in to attack,
de-legitimize, ridicule, threaten and effectively destroy this team’s work.
Since most of the world public assumes that these are the “authorities,”
they don’t realize that there are definite, urgent political motivations
that fuel these sudden outbursts. The global elite do not want these
technologies developed independently; they want complete control of the
process every step of the way. The entire debacle created such totally
unexpected trauma to the group that they completely dissolved their project,
even though it was easily replicable, scientific fact. Anyone who wants to
make breakthroughs in these areas should expect such events as par for the
course.
Podkletnov and his team unexpectedly stumbled over this anti-gravitational
effect while they were working with superconductors, which are materials
that lose all resistance to electromagnetism at extremely low temperatures.
So, if you have a material that can conduct electromagnetic energy with no
loss of power, then you have something very powerful indeed, based on our
new understandings of how the aether energy can be harnessed as
electromagnetic fields. Philosophically speaking, a superconductor is a
material that is very close to being in true harmony with the Universal
Oneness, thus providing a perfect means for that conscious energy to travel
through it.
From page three of the UK’s Sunday Telegraph, September 1, 1993 issue, the
following excerpt is a part of was reported about this remarkable
experiment, before the attacks ever started:
The team was carrying out tests on a rapidly spinning disc of
superconducting ceramic suspended in the magnetic field of three electric
coils, all enclosed in a low-temperature vessel called a cryostat.
"One of my friends came in and he was smoking his pipe,"
Dr. Podkletnov
said. "He put some smoke over the cryostat and we saw that the smoke was
going to the ceiling all the time. It was amazing -- we couldn’t explain
it." Tests showed a small drop in the weight of objects placed over the
device, as if it were shielding the object from the effects of gravity - an
effect deemed impossible by most scientists.
"We thought it might be a mistake,"
Dr. Podkletnov said, "but we have taken
every precaution." Yet the bizarre effects persisted. The team found that
even the air pressure vertically above the device dropped slightly, with the
effect detectable directly above the device on every floor of the
laboratory.
Interestingly enough, the key to Dr. Podkletnov’s device may not have
anything directly to do with the superconducting disc. It appears that the
effect is actually being caused by the magnetic forces that the disc focuses
and conducts as it rotates. In the next diagram, we can see that three
solenoid magnets, or magnets that create "push" in a certain direction, are
supporting the superconducting ring, allowing it to levitate slightly. Then,
similar to the engines that we looked at in the last chapter, two more
solenoid magnets surround the disc, thus creating a force that causes the
disc to spin.

[Note from Institute for New Energy: One stone is about 14 lbs. per Dan
York]
Anyone can see that we have two different magnetic fields working together
in this device, and the motion of the superconducting disc is causing these
fields to rotate. If we remember Dr. Harold Aspden’s work which we covered
in the last chapter, we would see that when you rotate a magnet, it appears
that the magnetic force inside behaves more like a swirling fluid than our
contemporary views of energy would allow. (Dr. Aspden showed us that it
takes ten times less energy to rotate a magnetized gyroscope if it had
already been rotating less than 60 seconds earlier; the magnetic energy
seems to continue to "swirl" inside once the object comes to rest.) And in
Podkletnov’s device, we are now seeing a direct reduction in the force of
gravity by the combination of magnetism and rotation.
6.5 LEVITY
In order to understand how Podkletnov’s experiment could be working, we must
invoke a new idea in our gravity concepts. Though we will explore this in
more detail in Chapter Nine, it is important that we mention it now:
The force known as "Levity"
pushes up from the Earth at the same time that gravity
pushes down.
Normally the downward force is stronger than the upward force, and the
balance between the two is what we have named the “gravitational constant.”
This balanced interplay between forces is a natural consequence of the
ever-persistent breathing motion that occurs within all matter in the
Conscious Universe. Gravity is action towards a center, and as
Walter
Russell suggested, when reaching the center new matter and energy is created
and radiated outward. This is yet another area in which our
“extraterrestrial” communities have made significant progress that we have
not yet realized.
And so, "Levity" is created due to the fact that not all of the
aether that
streams into matter is simply disappearing – just like the whirlpool in the
river, some of the water flows back out of the whirlpool after it is
created, even though the majority of the water flows down into the vortex
itself. Therefore, some of the aether that creates matter will always be
re-radiated back out of the object in the opposite or reverse direction. (We
will discuss levity much more clearly in the ninth chapter when we discuss
John Keely’s system of sympathetic vibratory physics.)

Diagram of “Levity” force in action in Podkletnov’s experiment.
If the oppositely-polarized "Levity" force of aether really does exist as
Gravity’s counterpart, then it could very well be that the magnetism and
rotation of Podkletnov’s superconducting ceramic disc was enhancing the
strength of this upward flow, concentrating it inwardly from the surrounding
aether in a laser-like fashion. If this were what is indeed going on, it
would explain why the anti-gravity effect and reduction of air pressure
continued in a straight column above the machine and even through the upper
floors of Podkletnov’s building as well.
To explain in slightly more detail, the upward-pushing magnetic force from
the solenoids that levitate the disc create the initial impulse of magnetic
energy that enables the system to begin functioning, and the rotation of the
super-conductors allows these upward-streaming magnetic/ aetheric energies
to become quite concentrated. If you were to look at the above picture again
with this in mind, you could draw in some simple lines of force that treated
the disc like the drain in your kitchen sink, only upside down. The
surrounding aether would flow in through the bottom and "drain out" through
the top, continuing on upwards.
6.6 GETTING OFF THE GROUND: THE SEARL EFFECT GENERATOR
And so, the ultimate question that we must ask ourselves is whether or not
these technologies that incorporate rotation can actually overcome the force
of gravity completely. All of the above machines can certainly create
measurable weight loss, but the gyroscope method seems to not quite harness
enough energy to produce levitation. After all, the Finnish experiment by
Dr. Podkletnov is only capable of reducing weight by two percent per ring
that is used. There must be a better way!
Indeed, other controversial researchers have indeed found a way to work
around this problem, and once again magnetism comes to our aid. We remember
that magnetism harnesses the aether very directly, and its effects are quite
measurable through many of the experiments that we have discussed. In the
case of the Searl Levity Disc, Prof. John R.R. Searl used a series of
custom-made magnetic cylindrical rollers that rotated within a nested series
of magnetic rings. (The next image shows just one ring, surrounded by one
layer of rollers.) A special elemental metal called “neodymium” was added to
give the magnets a high degree of strength. And indeed, if you try to buy
neodymium magnets, they are only sold with strict warnings due to their
power. If the magnets attract each other together they can shatter, and
protective eyewear is necessary to guard against the damage that the
fragments from such a collision could create. So, the amount of energy that
these powerful magnets could harness on their own, coupled with their
rotation, was more than enough to create levitation. Dr. Searl named this
lift "The Searl Effect" for obvious reasons.
Since Prof. Searl’s work is the most well-documented account of complete
anti-gravity propulsion on record, a bit of historical background is
worthwhile here. Prof. Searl worked for the Midlands Board in Australia as
an electric fitter in 1949, and conducted experiments in electricity due to
his own interest in it. While working on electric motors and generators, he
noticed that the spinning metal parts were creating a small current of
electromagnetic energy, with the positive pole towards the center and the
negative pole out towards the rim. By now this should be familiar to us.
Then in 1950, he was working with rotating slip rings and again measured a
small current of electromagnetic energy emerging from the ring edges. He
also realized that his hair would bristle if he allowed the rings to rotate
without trying to draw current from them. From these observations, he
concluded that the centrifugal force of rotation in the metal was causing
free electrons to be spun out. In this sense, he made highly similar
discoveries as Dr. DePalma regarding the ability to draw current out of a
rotating magnetic object, only in his case he found the effect in metal that
wasn’t magnetized. Furthermore, he believed that the electrons he measured
were coming from the atoms in the rotating metallic pieces themselves, and
not from the free aetheric energy of the universe. Later, he would obviously
change his mind!

Simplified diagram of Searl’s system of magnetic rings and rotating magnetic
rods.
In order to engineer this principle into a working prototype, he constructed
a generator that is now referred to as a Gyro-cell, pictured above. The
above image is a simplified version of what actually involves three
concentric rings and three sets of rolling cylindrical rods. A layer of
nylon is attached to each ring in order to control the rate at which the
electrons emerge, which allows for an even output of energy; otherwise it
works in sudden bursts instead of a smooth flow. At first, back in 1952,
this was simply built as a generator that was about three feet in diameter.
Searl and a friend tested it outdoors, and a small engine was used
underneath the generator to start the rollers in motion around the rings.
All Searl was expecting to see was a certain amount of electrical power
generated by the device. This did indeed occur, and at a much higher
potential than he had imagined. The effect was strong enough even at
relatively low speeds that 10.5 volts was created – and it could be measured
by the static charges that would emerge on nearby objects.
6.6.1 LEVITATION AND IONIZATION
As the generator continued to pick up speed, Searl and his friend were
shocked to see the generator break away from the engine that had started it
in motion and levitate to a height of 50 feet above the ground! It
maintained this altitude while continuing to move at a faster and faster
rate by itself, and a pink glow of ionized air appeared around it. While
this was happening, the electromagnetic charge in the air around them rose
so highly that all the radio receivers in the area spontaneously turned on
by themselves, which must have only added to the reeling mystery and
fascination that they were experiencing. Finally, the generator shot up into
the sky at a tremendous speed and appeared to completely leave the Earth’s
atmosphere.
Once he saw the end result of his new invention, Searl realized that he was
working with a profound new discovery that went way beyond the creation of a
generator for electricity. Expecting the levitation effects to continue, he
mounted the Gyro-cell generators into disc-shaped crafts that did not need
to be attached to the ground to be powered up. Over the course of time, ten
different craft were built, and indeed, the anti-gravity effect was so
powerful and uncontrollable in the early phases that many of the prototypes
were lost! This continued to be a problem until Dr. Searl learned how to
change and control the amount of upward thrust that the rotating magnets
were providing.
6.6.2 ELECTROMAGNETIC MOVEMENT CONTROL
The way that he discovered how to control the movement of the craft was
quite humorous, and more than a bit embarrassing. After years of work in
Australia, Searl had finally gotten enough clout and scientific reputability
that he had attracted some media attention. A television crew had arrived to
attempt to film this levitating craft in action. To Searl’s horror, although
the Levity Disc had reliably worked in front of many different witnesses, in
the presence of the camera it would not rise at all! Clearly this must have
been a disappointing and highly perplexing moment, to say the least!
However, a short time later this led
Prof. Searl to discover that the
electromagnetic fields from the camera had directly affected whether the
craft would levitate or not. This was his big "Eureka" that led him to
develop a way to change the amount and direction of thrust, thus gaining the
ability to fly the craft as a remote-controlled device. The Levity Disc was
flown on repeated occasions for many different witnesses, and the entire
story is located on his website, linked below. Larger craft have also been
built, some at a width of 12 feet and two that were actually 30 feet in
diameter. Numerous articles discuss Searl’s invention on the Institute for
Free Energy website and in various editions of the New Energy News journal.
It is often considered the most popular anti-gravity prototype, because it
has also been the most successful.

Interior of Searl Levity Disc, showing magnetic rings and rods.
The above image is a see-through diagram of the interior of the flying
anti-gravity disc. The three concentric magnetic rings with the rotating
magnetic cylinders surrounding them are clearly seen in this picture. Were
you to see it with the outside metallic layer in place, it would simply look
like a “flying saucer.”
6.6.3 SELF-SUSTAINING POWER GENERATION
Interestingly enough, with the Searl device we again come back to a working
free-energy system as well, as a result of harnessing electricity from the
powerful rotating magnets. John Thomas has studied and written about
Prof. Searl’s discoveries quite thoroughly in his book Anti-Gravity: The Dream
Made Reality, and there he reveals that the power source for the device was
self-sustaining once a certain amount of current ran into it, in order to
get it started. It literally generated its own energy from the surrounding
aether, and thus could function indefinitely with no source of stored power
in the device. This shouldn’t be much of a surprise to us, after we saw the
“sprinkler” effect from Dr. Bruce De Palma’s “homopolar generator” and later
the “Sunburst” N-Machine that was independently tested and verified by
Dr.
Robert Kincheloe.
6.6.4 “MATTER SNATCH” We have already mentioned the fact that the
Searl Disc could be seen to have
a pinkish glow around it, even though it was nothing more than a series of
rotating magnets and did not possess any elements that were specifically
designed to give off light. Also, in John Thomas’ book it is revealed that
the gravity-neutralizing effects included a certain amount of area around
the device, not just the device itself. This area was called the "neutral
zone" and it extended around the bottom and top of the disc. So, when it
would first take off, some of the land from the surrounding countryside
would be contained within this neutral zone and would be caught up in the
device’s gravitational field as it took off! And thus, Thomas writes:
It can be seen from the gravity field diagram that a neutral zone appears
below the craft as well as the neutral ring above, when the levity drive is
on. If matter becomes located in the zone, then it is held there.
In consequence, the
Searl craft so far made have left their mark on the
country-side in the form of large, neat holes when they suddenly take off.
The chunk of earth is taken up with it, [and this is] called "matter
snatch…"
The only hazard so far observed is that if the craft hovers for too long
near the ground the soil becomes burnt due to the electric currents in it
which build up heat. Also the nervous systems of animals are interfered with
by ionizing discharge if they come too near.
6.6.5 THE LONG ROAD TO PUBLIC ACCEPTANCE
With the Searl Disc we can see that the technology to actually overcome
gravity for propulsion already exists. By 1968, Prof. Searl had the
SEG
ready for commercial use, but he found total failure in getting his
invention commercially applied. The magnets were very expensive to produce,
as neodymium is a rare element and all the magnets had to be created at the
same time in order for the device to function properly. Thus, it wasn’t easy
for him to make new prototypes, as proper funding was simply not available.
However, he had all of his home’s electric power running off of an SEG, and
in 1983 he was jailed for ten months for allegedly “stealing electricity”
off of the power grid. The local electricity board did not believe that he
was using the SEG for power. While he was in jail, a “mysterious” fire
destroyed all his experimental data and all prototypes that he had created,
and his wife left him. By 1990 he was quite despondent and ready to
completely give up any further work on the project, but then things started
to change; people sent him financial donations to keep him going, and an
American offered to publish his book. Subsequently he was able to publish
several more books and there have even been inquiries about a movie of his
life being made, with Sir Anthony Hopkins portraying him.
Obviously we have not given all the technical details of how the
SEG
functions, and we encourage our readers to support Prof. Searl’s work by
visiting his official website and purchasing some of the reading materials
that his team now has to offer in order to get more details. With the proper
funding, the expected results should be immediately forthcoming, and a
design application ready for commercial use could be quickly rolled out to
the public.
6.7 INDEPENDENT CONFIRMATION OF SEARL’S RESULTS
Once again, financial destruction and loss of all working prototypes is
responsible for why no one has seen or heard anything about the Searl Levity
Disc in the media in recent years. In fact, on the official Searl website
there is still a fund-raising project in effect to try to finance the
construction of another unit. However, as of late Summer 2000, an
independent Russian team was able to verify the Searl Effect in their own
experimental version. They did not design their machine to be able to lift
off of the ground, but nevertheless they were able to “push it” as far as it
could go and register a highly significant anti-gravity effect. This will be
covered in more detail in the next chapter, as it leads us to some startling
revelations. So, if a skeptic comes along and tries to discount Prof. Searl’s work, the simple fact is that it has finally been replicated by a
professional team of scientists. And again, the reason why you haven’t heard
anything about this before is that it happened outside of the Western media
umbrella.
6.8 GLOWING SPHERICAL MAGNETISM
As we examine the information that we have gathered in the last two
chapters, we are left with the realization that these anomalous
gravity-defying behaviors are due to the natural ability of all objects to
harness the unseen "implicate order" of aetheric energy flow that creates
all "explicate orders" of the matter that we know on a moment by moment
basis. In our last chapter, we defined magnetism as nothing more than a
directional flow of aetheric energy, and rotation is yet another way to
create this directional flow. Thus, when the forces of magnetism are
combined with the rotation, the aetheric flow can be harnessed in a much
more directional way than could occur with either one of them by themselves;
the aetheric currents can be focused in the direction that you want them to
go, and the surrounding matter will follow. If you harness these currents to
oppose the downward flow of gravity, then they will reduce their
gravitational mass, if not reverse it entirely.
In the next chapter, we will discuss the logical continuation of the
arguments that are raised by the behavior of the Searl Levity Disc. Why is
it that when the purely magnetic propulsion system of the disc is powered
up, a glowing light is produced? Could this have any connection with the
currently inexplicable phenomenon of "ball lightning?" What we will see is
that understanding this phenomenon of "glowing magnetism"
provides a vital
key in decoding the hidden structure of the Universe. Many different
theorists, both past and present, continue to turn up this information and
relate it to the harmonic and energetic properties of a sphere, hence the
term "spherical harmonics." Indeed, we can show without any doubt that
the Unified Field theory must incorporate spherical harmonics; it is the only
system that will allow for the various observed forces such as gravity,
magnetism and electrostatics to synthesize together. Any magnet of any kind
will automatically produce a spherical field around itself, and let us not
forget that the “curved” space around the Earth formed by its gravity is
required to be spherical in shape as well. And as we have stated previously,
the sphere is the ultimate Unity of vibrations for all other forms of
three-dimensional geometry that we will be looking into.
Then, in Chapter Nine we will see that there might even be simpler ways to
create anti-gravity, using nothing more than pure sound resonances. There is
indeed evidence to suggest that if an object can be brought into perfect
harmonic resonance, its resistance to the downward-streaming aether flow of
gravity can be dramatically reduced, hence forming an anti-gravity effect
yet again.
6.9 RECAP
6.1 Hideo Hayasaka and colleagues at the Faculty of Engineering, Tohoku
University, Japan, together with Matsushita, the Japanese multinational,
found a weak but measurable 1-in-7,000 decline in gravity by dropping a
rotating gyroscope. In Dr. Bruce DePalma’s case, two spheres are catapulted
into the same trajectory, one rotating and one stationary. The rotating
sphere shows distinct gravitational and energetic changes when compared to
the non-rotating sphere. This shows that simply rotating an object decreases
its observed mass.
6.2 Dr. Bruce DePalma’s Force Machine demonstrated an effect approximately
100 times more powerful than the 1-in-7,000 gravity reduction seen in the
Japanese experiment. This effect was produced through rotation and “forced
precession.”
6.3 Data from Sandy Kidd and Glenn Turner show that the force of
“precession” can be used in a variety of propulsion and anti-gravity
devices, with significant effects.
6.4 Dr. Eugene Podkletnov discovered an anti-gravity effect above a rapidly
spinning disc of superconducting ceramic, which was suspended in the
magnetic field of three electric coils, all enclosed in a low-temperature
vessel called a cryostat. This actually appeared in the mainstream media but
was quickly suppressed and recanted due to the extreme political forces that
oppose these discoveries.
6.5 The force known as "Levity" pushes up from the Earth at the same time
that gravity pushes down. Normally the downward force is stronger than the
upward force, and the balance between the two is what we have named the
“gravitational constant.”
6.6 The Searl Levity Disc showed a complete overcoming of the force of
gravity. Prof. John R.R. Searl used a series of custom-made magnetic
cylindrical rollers that rotated within a nested series of magnetic rings to
produce this effect.
6.6.1 Once powered up, the
Searl Levity Disc would rise to a height of 50
feet above the ground and remain stable as its speed of rotation continued
to increase. As this occurred, all the radio receivers in the area
spontaneously turned on by themselves. A pinkish glow of ionized gases would
be seen around the device as this occurred.
6.6.2 In the presence of a television camera, the
Levity Disc would not rise
at all! Prof. Searl later realized that this was due to the camera’s
electromagnetic field, and from this discovery he was able to devise an
electromagnetic control system that allowed him to move the disc as it
traveled through space.
6.6.3 The Levity Disc had an increasing, self-sustaining energy current that
would move through it once it reached a certain rotational speed.
6.6.4 Some of the land from the surrounding countryside would be contained
within a spherical “neutral zone” that formed around the disc, and would be
caught up in the device’s gravitational field as it took off.
6.6.5 By 1968,
Prof. Searl had the SEG ready for commercial use, but he
found total failure in getting his invention commercially applied. In 1983
he was jailed for ten months for allegedly “stealing electricity” off of the
power grid. A “mysterious” fire then destroyed all his experimental data and
all prototypes that he had created, and his wife left him. By 1990 he was
quite despondent but he then received financial donations, book offers and
possible movie offers, which did not actually pan out.
6.7 As of late Summer 2000, the
Roschin / Godin team in Russia was able to
replicate Prof. Searl’s results. This will be covered more in the next
chapter, and lends dramatic scientific validity to the entire picture.
6.8 In the next chapter, we will cover the spherical properties of “glowing
magnetism” and examine clear evidence of their appearance in nature.
MASTER LIST OF ANTIGRAV / FREE ENERGY LINKS:
-
Glenn Turner’s "Gyroscopes as Propulsion Devices"
Everything you ever wanted to know about gyroscopes and how they can be used
for propulsion. A complete list of patents that can be downloaded, and a
plethora of illustrations and articles.
http://www.gyro-scope.co.uk/
-
Sandy Kidd’s Gyroscopic Levitation Device:
Here Dr. Harold Aspden comments on Kidd’s device, also mentioned on Glenn
Turner’s website.
http://www.energyscience.co.uk
-
Bruce DePalma’s Main Website:
All documents from Bruce DePalma’s research, including pictures and
descriptions of the Spinning Ball Experiment, N-Machine and Force Machine.
Also included are links to Paramahansa Tewari, who worked with similar ideas
on a very advanced theoretical / mathematical level.
http://depalma.pair.com
-
Institute for New Energy:
Considered by many to be the master website for learning about cold fusion,
free-energy aetheric engines, anti-gravity propulsion and all related
topics.
http://www.padrak.com/ine
-
Keely Net Alternative Energy - Master Website:
This site also is absolutely loaded with information about aetheric theory
and the applications of it as applied to free energy and anti-gravity.
Content draws heavily off of the harmonic aether theories of 19th century
physicist John Keely.
http://www.keelynet.com
-
Theories of the Aether Website:
This is an excellent source for those doing specific research on the aether.
Many different articles will be found at different levels of technical
sophistication- and there is a great degree of commonality among them, which
we have attempted to fuse together in this book.
http://www.magna.com.au/~prfbrown/aether.html
-
Leading Edge Research Alternative Energy Technology:
This site is another extensive list of links, many of which are already
indicated above but also many more that are not. Its value was indispensable
in our research on these areas.
http://www.trufax.org
-
Oil City Research Page:
A collection of interesting tidbits on aether and the like from a fossil
fuel research team that is unafraid to look into new energy concepts.
Contains latest version of Zhang Chengbin’s work on the "Unified Theory of
the Universe."
http://www.oilcity.org
-
CSETI Additional Position Papers:
Contains a small section of links on alternative / suppressed technologies,
among other things.
http://www.cseti.org

|